Dodaj produkty podając kody
- Precyzyjne imadło stalowe szlifierskie 100x125 mm – wykonane z hartowanej stali 58–62 HRC. Z pryzmą „V” w szczęce ruchomej, przeznaczone do szlifowania, frezowania i pomiarów.
Imadło precyzyjne stalowe szlifierskie 100x125 mm to wysokiej jakości narzędzie przeznaczone do mocowania detali podczas obróbki wymagającej najwyższej dokładności. Wykonane z hartowanej stali stopowej, zapewnia wyjątkową trwałość, odporność na odkształcenia i stabilność wymiarową nawet przy długotrwałym użytkowaniu.
Dzięki precyzyjnemu wykonaniu i doskonałej sztywności, imadło idealnie sprawdza się podczas szlifowania, frezowania, pomiarów i kontroli detali. Hartowane powierzchnie robocze o twardości 58–62 HRC gwarantują długą żywotność oraz odporność na zużycie. Na szczęce ruchomej wykonano pionową i poziomą pryzmę typu „V”, co umożliwia pewne mocowanie zarówno elementów płaskich, jak i okrągłych.
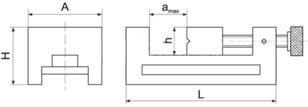
Specyfikacja techniczna
| Parametr | Wartość |
|---|---|
| Model | 100x125 |
| Szerokość szczęk | A=100 mm |
| Wysokość szczęk | h=45 mm |
| Maksymalny rozstaw szczęk | amax=125 mm |
| Wysokość całkowita | H=95 mm |
| Długość całkowita | L=260 mm |
| Tolerancja prostopadłości i równoległości | ±0,005/100 mm |
| Materiał korpusu | Stal stopowa wysokiej jakości , hartowana >HRC58 |
| Waga imadła | 13 kg |
Zalety imadła precyzyjnego:
- Mechanizm samocentrujący – zapewnia równomierne mocowanie detali względem osi, bez konieczności ich pozycjonowania.
- Wysoka precyzja – gwarantowana tolerancja prostopadłości i równoległości powierzchni imadła do podstawy - 0,005/100 mm umożliwia wykonywanie zadań wymagających najwyższej dokładności.
- Hartowana i szlifowana konstrukcja – wszystkie powierzchnie robocze zostały poddane obróbce cieplnej i precyzyjnemu szlifowaniu, co zapewnia trwałość oraz odporność na zużycie.
- Kompaktowa budowa – doskonała do pracy na ograniczonej przestrzeni lub w układach wieloimadłowych.
- Możliwość montażu pionowego i poziomego – zwiększa elastyczność zastosowania w różnych układach maszynowych.
Zastosowanie:
- Szlifierki do płaszczyzn.
- Frezarki i centra obróbcze CNC.
- W działach kontroli jakości.
- W laboratoriach pomiarowych.
- Przy pracach montażowych i kontrolnych, gdzie wymagana jest wysoka stabilność i dokładność.
To imadło to idealny wybór dla specjalistów ceniących dokładność, trwałość i niezawodność w codziennej pracy.
Producent gwarantuje naprawę lub wymianę sprzętu do 12 miesięcy od daty zakupu. Skontaktuj się ze sklepem za pośrednictwem formularza reklamacji.







