Dodaj produkty podając kody
- Imadło szlifierskie śrubowe Vertex VDV-30 to precyzyjne imadło renomowanego tajwańskiego producenta Vertex. Wykonane ze stali SK zgodnej z normą JIS, hartowane i precyzyjnie szlifowane, zapewnia dokładność ±0,005 mm.
Imadło szlifierskie precyzyjne VDV-30 renomowanej tajwańskiej firmy Vertex to profesjonalne imadło typu śrubowego (VDV-TYPE – Screw Type Grinding Vise), przeznaczone do precyzyjnych operacji szlifowania, kontroli oraz mocowania detali w narzędziowniach i zakładach produkcyjnych. Vertex to największy producent akcesoriów do obrabiarek na Tajwanie, ceniony na całym świecie za najwyższą jakość wykonania i powtarzalność parametrów.
Model VDV-30 został wykonany z wysokogatunkowej stali SK zgodnej z normą JIS (Japanese Industrial Standards), poddanej obróbce cieplnej oraz precyzyjnemu szlifowaniu. Dzięki temu imadło zapewnia ekstremalną dokładność geometryczną, stabilność oraz długą żywotność nawet przy intensywnej eksploatacji.
Specyfikacja techniczna
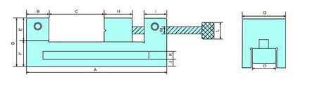
| Parametr | Wartość |
|---|---|
| Model | VDV-30 |
| Szerokość szczęk | G=72 mm |
| Typ imadła | Precyzyjne szlifierskie |
| Wysokość szczęk | E=29 mm |
| Maksymalny rozstaw szczęk | C=71 mm |
| Wysokość całkowita | D=70 mm |
| Długość całkowita | A=180 mm |
| Wysokość podstawy | F=40 mm |
| Pozostałe wymiary | B=30 mm, H=51,85 mm, l=25 mm, J=14 mm, K=12,35 mm, L=50,35 mm, M=18,95 mm, O=26 mm |
| Tolerancja prostopadłości i równoległości | ±0,005/100 mm |
| Materiał korpusu | Stal stopowa wysokiej jakości SK , hartowana >HRC54 |
| Waga imadła | 5,7 kg |
Zalety imadła VDV:
- Oryginalny produkt Vertex – Taiwan, lidera wśród producentów akcesoriów obrabiarkowych
- Wysokiej jakości stal SK zgodna z JIS
- Hartowane i precyzyjnie szlifowane powierzchnie robocze
- Bardzo wysoka dokładność: ±0,005 mm
- Stabilny mechanizm śrubowy zapewniający pewne i powtarzalne mocowanie
- Możliwość pracy w wielu pozycjach (podstawa, boki, czoło)
- Idealne do zastosowań kontrolnych – może zastępować kątowniki traserskie
- Przeznaczone do pracy ciągłej w warunkach przemysłowych
Zastosowanie:
- Przy precyzyjnym szlifowaniu na szlifierkach do płaszczyzn
- W narzędziowniach i działach utrzymania ruchu
- W operacjach kontrolno-pomiarowych i inspekcyjnych
- W produkcji narzędzi, stempli i elementów precyzyjnych
- Przy ustawianiu i kontroli geometrii detali
- W pracy jako wzorzec dokładności dzięki ekstremalnej precyzji wykonania
Wybierając imadło VDV-30, stawiasz na tajwańską jakość Vertex, uznawaną globalnie za jedną z najlepszych w segmencie machine tool accessories. To rozwiązanie dla profesjonalistów, którzy wymagają najwyższej dokładności, trwałości i niezawodności.
Producent gwarantuje naprawę lub wymianę sprzętu do 12 miesięcy od daty zakupu. Skontaktuj się ze sklepem za pośrednictwem formularza reklamacji.





