Dodaj produkty podając kody
Dodaj plik CSV
Wpisz kody produktów, które chcesz zbiorczo dodać do koszyka (po przecinku, ze spacją lub od nowej linijki).
Powtórzenie wielokrotnie kodu, doda ten towar tyle razy ile razy występuje.
Pompa chłodziwa VWP-0813/230V firmy Vertex
- Pompa chłodziwa VWP-0813 firmy Vertex – wydajna, niezawodna i trwała. Idealna do maszyn CNC i konwencjonalnych. Zwiększ efektywność obróbki i wydłuż żywotność narzędzi! Sprawdź teraz!
Specyfikacja techniczna
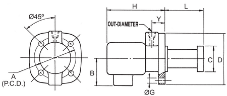
| Parametr | Wartość |
|---|---|
| Model | VWP-0813 |
| Napięcie zasilania | 230V |
| Moc silnika | 0,09 kW |
| Wydajność | 25 l/min |
| Głębokość zanurzenia | L=130 mm |
| Out-diameter | P/T 3/8 |
| Wymiary[mm] | A=128,B=105,C=Ø90,D=Ø150,G=Ø8,H=160,Y=19 |
| Ciężar | 5,60 kg |
Zalety pompy:
- Wysoka efektywność chłodzenia – utrzymuje optymalną temperaturę narzędzi i materiału.
- Trwała, odporna konstrukcja – korpus zabezpieczony przed korozją i uszkodzeniami mechanicznymi.
- Kompaktowe wymiary – łatwy montaż nawet w ograniczonych przestrzeniach.
- Bezawaryjna praca – stabilny przepływ chłodziwa w każdych warunkach.
- Uniwersalne zastosowanie – do frezarek, tokarek, wiertarek oraz maszyn CNC.
- Prosty montaż i obsługa – szybkie uruchomienie i łatwa konserwacja.
Zastosowanie:
- Proces frezowania, toczenia i wiercenia.
- Maszyny CNC oraz obrabiarki konwencjonalne.
- Warsztaty narzędziowe i mechaniczne.
- Produkcja maszyn i podzespołów metalowych.
Marka
Gwarancja
Gwarancja producenta na 1 rok
Producent gwarantuje naprawę lub wymianę sprzętu do 12 miesięcy od daty zakupu. Skontaktuj się ze sklepem za pośrednictwem formularza reklamacji.
Pytania innych klientów
Pompka do wody, chcę zastosować w łazience, musi być z wirnikiem, który od razu wyrzuca wodę z głębokości 6 cm Taką miałem, ale już się zużyła
Witam
Raczej powinna pasować, pompki te wykorzystywane są do sytemu chłodzenia obrabiarek
Zapraszam
ZSTEFAn
Zapytaj o produkt
Napisz swoją opinię







