Dodaj produkty podając kody
Dodaj plik CSV
Wpisz kody produktów, które chcesz zbiorczo dodać do koszyka (po przecinku, ze spacją lub od nowej linijki).
Powtórzenie wielokrotnie kodu, doda ten towar tyle razy ile razy występuje.
Pryzma traserska V-8V 2 szt.
Pryzma traserska V-8V 2 szt.
- Pryzma traserska V-8V firmy Vertex wykonana z wysokiej jakości żeliwa. Kąt pryzmy 90° i dokładność 0,05 mm/100 mm zapewniają stabilne mocowanie oraz precyzyjne trasowanie i pomiary detali cylindrycznych.
Pryzma traserska V-8V marki Vertex (2 szt.) to precyzyjny przyrząd pomiarowy i traserski wykonany z wysokiej jakości żeliwa. Dzięki dokładności 0,05 mm/100 mm oraz kątowi pryzmy 90°, zapewnia niezawodne podparcie i pozycjonowanie elementów cylindrycznych podczas trasowania, pomiarów i prac warsztatowych. Solidna konstrukcja oraz odporność na odkształcenia czynią ją niezbędnym wyposażeniem w laboratoriach pomiarowych, warsztatach narzędziowych i zakładach produkcyjnych.
Specyfikacja techniczna
| Parametr | Wartość |
|---|---|
| Model | V-8V |
| Materiał | Wysokiej jakości żeliwo |
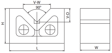
| Długość | L=206 mm |
| Szerokość | W=103 mm |
| Wysokość | H=143 mm |
| Kąt pryzmy | 90° |
| Pozostałe wymiary | V-W=116 mm ; V-D=58 mm |
| Dokładność | 0,05/100 mm |
| Ciężar | 16,7 kg |
Zalety pryzm:
- Wysoka precyzja – dokładność 0,05 mm/100 mm zapewnia niezawodne pomiary i trasowanie.
- Solidne wykonanie – pryzma z żeliwa wysokiej jakości charakteryzuje się trwałością i stabilnością.
- Optymalne podparcie – kąt 90° umożliwia pewne mocowanie i pozycjonowanie elementów cylindrycznych.
- Uniwersalność zastosowań – sprawdzi się w warsztatach, zakładach produkcyjnych i laboratoriach pomiarowych.
Zastosowanie:
- Trasowanie i pozycjonowanie wałków oraz detali cylindrycznych
- Prace pomiarowe w laboratoriach metrologicznych
- Obróbka narzędziowa i warsztatowa wymagająca stabilnego mocowania
- Zastosowania w produkcji seryjnej i jednostkowej
Pryzma traserska V-8V Vertex to praktyczne i niezawodne narzędzie pomiarowe, które łączy precyzję, trwałość i prostotę obsługi – idealny wybór dla profesjonalistów poszukujących wysokiej jakości oprzyrządowania.
Marka
Zapytaj o produkt
Napisz swoją opinię




