Dodaj produkty podając kody
Dodaj plik CSV
Wpisz kody produktów, które chcesz zbiorczo dodać do koszyka (po przecinku, ze spacją lub od nowej linijki).
Powtórzenie wielokrotnie kodu, doda ten towar tyle razy ile razy występuje.
Przyrząd do wytaczania szczęk w uchwytach VFR-10
- Precyzyjny przyrząd do wytaczania miękkich szczęk uchwytów tokarskich 3- i 4-szczękowych (250 mm). Poprawia koncentryczność, siłę mocowania i redukuje drgania.
Przyrząd VFR-10 firmy Vertex to profesjonalne narzędzie do precyzyjnego wytaczania szczęk uchwytów tokarskich. Zapewnia idealne dopasowanie miękkich szczęk w uchwytach 3- i 4-szczękowych o średnicy 10 cali (Ø250 mm). Redukuje bicie, poprawia siłę mocowania i umożliwia regenerację uchwytów o obniżonej dokładności. Prosty w obsłudze, niezawodny i trwały – niezbędny w każdym warsztacie obróbki metalu.
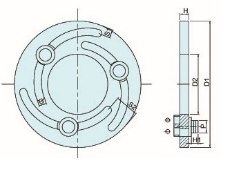
Specyfikacja techniczna
| Parametr | Wartość |
|---|---|
| Model | VFR-106 |
| Średnica | D1=258 mm |
| Materiał | Stal hartowana |
| Zastosowanie | Wytaczanie miękkich szczęk w uchwytach 3 i 4-szczękowych |
| Grubość przyrządu | H=12 mm |
| Pozostałe wymiary | D2=150 mm,S1=15 mm,S2=40 mm,G=10 mm,H1=9 mm,O=18,5 mm |
| Waga | 3 kg |
Zalety przyrządu VFR:
- Umożliwia dokładne dopasowanie miękkich szczęk do średnicy obrabianego przedmiotu.
- Znacznie zwiększa siłę mocowania i precyzję uchwytu.
- Redukuje bicie promieniowe i drgania spowodowane ekscentrycznością.
- Obsługuje wiele średnic – pełna elastyczność regulacji.
- Prosta, intuicyjna obsługa i trwała konstrukcja.
- Idealne rozwiązanie dla regeneracji uchwytów.
- Zwiększa dokładność pracy uchwytów – eliminuje błędy wynikające z eksploatacji szczęk.
Zastosowanie:
- Regeneracja i formowanie miękkich szczęk uchwytów tokarskich w tokarkach CNC.
- Zwiększanie dokładności i poprawa koncentryczności mocowania detalu.
- Obróbka skrawaniem w warsztatach i zakładach przemysłowych.
- Regeneracja uchwytów tokarskich w serwisach narzędziowych.
- Tokarki konwencjonalne i CNC.
- Przygotowanie uchwytów do precyzyjnych operacji tokarskich.
Marka
Gwarancja
Gwarancja producenta na 1 rok
Producent gwarantuje naprawę lub wymianę sprzętu do 12 miesięcy od daty zakupu. Skontaktuj się ze sklepem za pośrednictwem formularza reklamacji.
Zapytaj o produkt
Napisz swoją opinię







