Dodaj produkty podając kody
Dodaj plik CSV
Wpisz kody produktów, które chcesz zbiorczo dodać do koszyka (po przecinku, ze spacją lub od nowej linijki).
Powtórzenie wielokrotnie kodu, doda ten towar tyle razy ile razy występuje.
Uchwyt tokarski 3-szczękowy 190mm, montaż od czoła-VSC-7A Tajwan
Promocja
Nowość
- Uchwyt tokarski 3-szczękowy 190 mm marki Vertex (Tajwan) zapewnia wysoką precyzję mocowania, montaż od czoła oraz komplet twardych szczęk zewnętrznych i wewnętrznych. Idealny do tokarek konwencjonalnych i CNC.
Profesjonalny uchwyt tokarski VSC-7A o średnicy 190 mm, wyprodukowany przez Vertex – wiodącego tajwańskiego producenta precyzyjnych narzędzi i oprzyrządowania do obrabiarek. Uchwyt zapewnia wysoką dokładność mocowania, stabilność pracy oraz długą żywotność, co czyni go doskonałym rozwiązaniem zarówno dla warsztatów, jak i zakładów produkcyjnych.
Wykonany z trwałego żeliwa oraz wyposażony w jednolite, hartowane szczęki — idealny do precyzyjnych zadań tokarskich, frezarskich i szlifierskich.
Specyfikacja techniczna
| Parametr | Wartość |
|---|---|
| Model | VSC-7A |
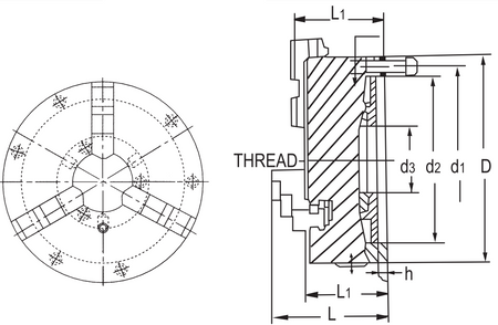
| Średnica uchwytu | D=190 mm |
| Zakres mocowania średnic wewnętrznych | ⌀ 65-190 mm |
| Zakres mocowania średnic zewnętrznych | ⌀ 4-190 mm |
| Liczba szczęk | 3 |
| Rodzaj szczęk | Jednolite |
| Typ uchwytu | Samocentrujący spiralny |
| Materiał korpusu | Żeliwo |
| Osadzenie | Walcowe, montaż od czoła |
| Średnica osadzenia uchwytu | d2=155 mm |
| Rozstaw śrub mocujących | d1=172 mm |
| Wysokość uchwytu | L1=75 mm |
| Przelot uchwytu | d3=55 mm |
| Pozostałe wymiary | L=105mm; h=5 mm |
| Śruby mocujące | 3-M10 |
| Waga | 15,1 kg |
Zalety uchwytu VSC firmy Vertex:
- Produkcja Vertex – Tajwan → gwarancja wysokiej jakości i precyzyjnego wykonania.
- Centryczne mocowanie zapewnia powtarzalność i stabilność podczas obróbki.
- Wytrzymały żeliwny korpus, odporny na obciążenia i długotrwałą eksploatację.
- Jednolite szczęki twarde – większa trwałość i mniejsza podatność na zużycie.
- Montaż od czoła, który ułatwia instalację uchwytu na tokarce.
- Kompletny zestaw ze szczękami wewnętrznymi, zewnętrznymi i kluczem.
- Doskonała relacja cena / precyzja / trwałość charakterystyczna dla marki Vertex.
Zastosowanie:
- W pracach tokarskich, frezerskich i szlifierskich wymagających pewnego, centrycznego mocowania,
- W obróbce stali, metali kolorowych i tworzyw,
- W warsztatach ślusarskich, produkcyjnych i w narzędziowniach,
- Do małych i średnich tokarek konwencjonalnych oraz CNC,
- W precyzyjnych operacjach, gdzie liczy się dokładność i stabilność obrabianego detalu.
Gwarancja producenta na 1 rok
Producent gwarantuje naprawę lub wymianę sprzętu do 12 miesięcy od daty zakupu. Skontaktuj się ze sklepem za pośrednictwem formularza reklamacji.
Zapytaj o produkt
Napisz swoją opinię





