Dodaj produkty podając kody
Dodaj plik CSV
Wpisz kody produktów, które chcesz zbiorczo dodać do koszyka (po przecinku, ze spacją lub od nowej linijki).
Powtórzenie wielokrotnie kodu, doda ten towar tyle razy ile razy występuje.
Uchwyt tokarski 3-szczękowy 200mm, 60° z dużym przelotem- Bison 2405-K
- Uchwyt tokarski 3-szczękowy 200mm, 60° z dużym przelotem - Bison 2405-K
Uchwyt tokarski dokładny 200mm, 60° z dużym przelotem - Bison 2405-K
Właściwości uchwytu:
- Uchwyty z mocowaniem mechanicznym mogą być stosowane zarówno na tokarkach sterowanych numerycznie lub centrach tokarsko frezarskich wielofunkcyjnych.
- Podstawową zaletą tych uchwytów jest znaczne skrócenie czasu mocowania i odmocowywania przedmiotu przy zachowaniu stałych parametrów zamocowania oraz uzyskiwanie dużych sił zacisku przy minimum wysiłku obsługującego.
- Nadają się szczególnie do zastosowania tam, gdzie istnieje potrzeba częstego mocowania i odmocowywania przedmiotu obrabianego.
- Uchwyty mogą współpracować z siłownikami pneumatycznymi, hydraulicznymi lub elektrycznymi.
Parametry uchwytu:
- Wielkość kąta ząbków - 60°
- Maks. przesuw tulei - 22,5 (16/-6,5)mm
- Maks. przesuw szczęk - 5mm
- Maks. siła ciągnąca - 34kN
- Maks. siła mocująca - 86kN
- Maks. prędkość - 5000 obr/min
- Moment bezwładności - 0,15 kgm2
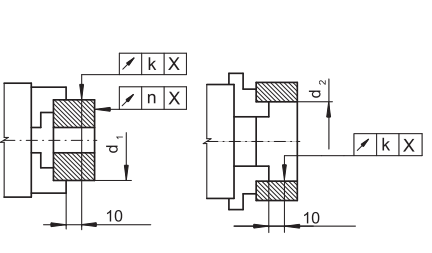
Wymiary uchwytu[mm]:
- Średnica - 200
- d: 32, 50, 80
- d1 - 200
- d2 - 125
- L - 40
- k - 0,025
- n - 0,02
- p - 0,01
Waga - 21kg
Gwarancja producenta na 1 rok
Producent gwarantuje naprawę lub wymianę sprzętu do 12 miesięcy od daty zakupu. Skontaktuj się ze sklepem za pośrednictwem formularza reklamacji.
Zapytaj o produkt
Napisz swoją opinię









