Dodaj produkty podając kody
Dodaj plik CSV
Wpisz kody produktów, które chcesz zbiorczo dodać do koszyka (po przecinku, ze spacją lub od nowej linijki).
Powtórzenie wielokrotnie kodu, doda ten towar tyle razy ile razy występuje.
Uchwyt tokarski 4-szczękowy samocentrujący 165mm - VPS-6A Tajwan
- Uchwyt tokarski 4-szczękowy samocentrujący 165 mm montaż od czoła ,Vertex VPS-6A to wysokiej klasy osprzęt produkowany przez tajwańską firmę Vertex. Zapewnia precyzyjne mocowanie detali dzięki wysokiej dokładności oraz solidnej konstrukcji.
Uchwyt tokarski VPS-6A to profesjonalny uchwyt tokarski 4-szczękowy samocentrujący o średnicy 165 mm, montaż od czoła zaprojektowany do precyzyjnego mocowania zarówno elementów symetrycznych, jak i nieregularnych.
Vertex to uznany tajwański producent osprzętu do obrabiarek, ceniony na całym świecie za wysoką jakość wykonania, stabilność pracy oraz powtarzalność produktów.
Specyfikacja techniczna
| Parametr | Wartość |
|---|---|
| Model | VPS-6A |
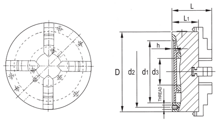
| Średnica uchwytu | D=165 mm |
| Zakres mocowania średnic wewnętrznych | ⌀ 55-150 mm |
| Zakres mocowania średnic zewnętrznych | ⌀ 4-165 mm |
| Liczba szczęk | 4 |
| Rodzaj szczęk | Jednolite |
| Typ uchwytu | Samocentrujący spiralny |
| Materiał korpusu | Żeliwo |
| Osadzenie | Walcowe, montaż od czoła |
| Średnica osadzenia uchwytu | d1=130 mm |
| Rozstaw śrub mocujących | d2=142 mm |
| Wysokość uchwytu | L1=65 mm |
| Przelot uchwytu | d3=45 mm |
| Pozostałe wymiary | L=94mm; h=5 mm |
| Śruby mocujące | 3-M8 |
| Waga | 9,3 kg |
Zalety uchwytu VPS firmy Vertex:
- Producent Vertex – Tajwan – jedna z najbardziej cenionych marek w segmencie profesjonalnych uchwytów do tokarek.
- Samocentrująca konstrukcja 4-szczękowa – szybkie pozycjonowanie detalu i równomierny rozkład sił mocujących.
- Wysoka dokładność 0,10 mm – precyzyjne mocowanie podczas obróbki tokarskiej.
- Solidny żeliwny korpus – wysoka sztywność i odporność na zużycie.
- Kompletny zestaw szczęk – możliwość mocowania zarówno od wewnątrz, jak i z zewnątrz.
- Montaż od czoła – łatwy i szybki montaż na wrzecionie lub płycie adaptacyjnej.
- Idealny do produkcji seryjnej i prototypowania – wysoka powtarzalność zacisku.
Zastosowanie:
- Tokarki konwencjonalne i CNC.
- Obróbka elementów okrągłych, kwadratowych i o nieregularnych kształtach.
- Prace wymagające stabilnego i symetrycznego mocowania detalu.
- Produkcja małoseryjna, warsztat narzędziowy, zakłady przemysłowe i serwisowe.
Gwarancja producenta na 1 rok
Producent gwarantuje naprawę lub wymianę sprzętu do 12 miesięcy od daty zakupu. Skontaktuj się ze sklepem za pośrednictwem formularza reklamacji.
Zapytaj o produkt
Napisz swoją opinię







