Dodaj produkty podając kody
Dodaj plik CSV
Wpisz kody produktów, które chcesz zbiorczo dodać do koszyka (po przecinku, ze spacją lub od nowej linijki).
Powtórzenie wielokrotnie kodu, doda ten towar tyle razy ile razy występuje.
Uchwyt tokarski 400mm - Bison 3244-400-11
- Uchwyt tokarski 400mm - Bison 3244-400-11
Uchwyt tokarski 3244-400 to samocentrujący uchwyt tokarski 3-szczękowy wykonany z trwałego żeliwa i wyposażony w szlifowane powierzchnie robocze, co zapewnia wieloletnią eksploatację bez utraty dokładności. Przeznaczony do bezpośredniego montażu na wrzecionach tokarek z systemem CAMLOCK zgodnym z normą DIN 55029. Niezastąpiony w codziennej pracy warsztatowej, zarówno przy obróbce precyzyjnej, jak i zgrubnej.
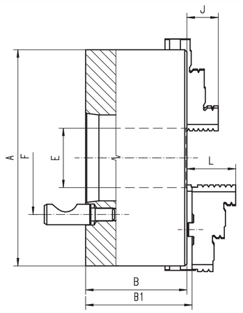
Specyfikacja techniczna
| Parametr | Wartość |
|---|---|
| Model | 3244-400-11 |
| Średnica uchwytu | A=400 mm |
| Liczba szczęk | 3 |
| Stożek 1:4 | 11 |
| Rodzaj szczęk | Jednolite |
| Typ uchwytu | Samocentrujący spiralny |
| Materiał korpusu | Żeliwo |
| Osadzenie | DIN 55029 ,CAMLOCK |
| Śruby mocujące | 6 szt. |
| Maksymalna prędkość | 1600 obr/min |
| Siła zacisku | 6500 daN |
| Moment obrotowy na kluczu | 280 Nm |
| Dokładność mocowania | 0,060 mm |
| Rozstaw śrub mocujących | F=235 mm |
| Wysokość uchwytu | B=128,5 mm |
| Przelot uchwytu | E=136 mm |
| Pozostałe wymiary | B1=137,3 mm; J=55 mm; L=67 mm |
| Waga | 101 kg |
Zalety uchwytu 3244:
- Precyzyjne i powtarzalne mocowanie – dzięki szlifowanym powierzchniom roboczym,
- Solidna żeliwna konstrukcja – zapewnia tłumienie drgań i trwałość,
- Trzyszczękowy mechanizm samocentrujący – umożliwia szybkie i pewne zaciskanie,
- Montaż bezpośredni CAMLOCK – szybkie i stabilne mocowanie do wrzeciona obrabiarki.
- Produkt polski – jakość Bison-Bial – uznana marka z wieloletnią tradycją w branży obróbki skrawaniem.
Zastosowanie:
- Tokarki konwencjonalne i CNC
- Obróbka wałków, tulei, pierścieni i innych elementów cylindrycznych
- Produkcja jednostkowa i seryjna w zakładach przemysłowych, narzędziowniach i warsztatach
- Tam gdzie wymagana jest wysoka precyzja i szybkość mocowania.
Gwarancja producenta na 1 rok
Producent gwarantuje naprawę lub wymianę sprzętu do 12 miesięcy od daty zakupu. Skontaktuj się ze sklepem za pośrednictwem formularza reklamacji.
Zapytaj o produkt
Napisz swoją opinię





